You are here: Artificial Intelligence > Deep Learning > Training Deep Models for Super Resolution

Training Deep Models for Super Resolution

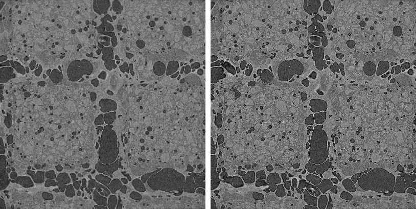
The term "Super Resolution" refers to the process of improving the quality of images by boosting its apparent resolution. In most cases, a trained super resolution model can transform images from low-resolution (LR) to high-resolution (HR) while maintaining clean edges and preserving important details.

Original image (left) and with super resolution applied (right)

Super resolution result

 

Dragonfly Help Live Version